400-604-3398
性能表
FXT型不锈钢自吸泵

本产品适用于抽送清水或带腐蚀性和有卫生要求及有一定粘度的液体,广泛应用于环保、电镀、漂染、污水处理、水处理、食品、饮料、医药、化妆品、造纸、酿造、化工和精细化工等行业。

特点

参考国内外同类产品,优化设计,性能优越,外形美观;自吸高度高,自吸时间短;半开式叶轮,不易堵塞; 优质机械密封,不易泄漏;结构简单,使用维修十分方便;振动、噪音低,运行稳定,使用寿命长。

产品介绍Product introduction

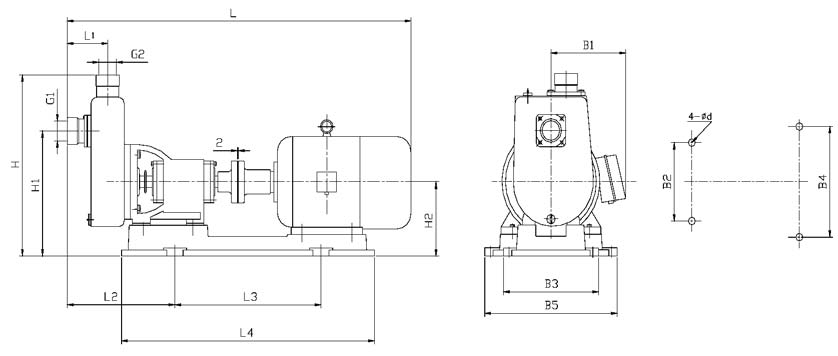
产品参数
  • 型号: 25FXT-13
  • 扬程:4
  • 流量:10
  • 电机功率:0.55
  • 转速:2800
  • 效率:26
  • 允许吸上真空高度:5